ຜະລິດຕະພັນ
ຫນ້າທໍາອິດ > ຜະລິດຕະພັນ
ຜະລິດຕະພັນ
GGJ ແຮງດັນຕ່ໍາປະສົມປະສານ Switchgear
  • GGJ ແຮງດັນຕ່ໍາປະສົມປະສານ SwitchgearGGJ ແຮງດັນຕ່ໍາປະສົມປະສານ Switchgear

GGJ ແຮງດັນຕ່ໍາປະສົມປະສານ Switchgear

GGJ Low Voltage Switchgear ພັດທະນາໂດຍບໍລິສັດ Welcome (Wenzhou) Electric Co., Ltd., ຜູ້ຜະລິດມືອາຊີບໃນປະເທດຈີນ, ມີການອອກແບບທີ່ຊ່ວຍໃນຄອມພິວເຕີ ແລະ ເທັກໂນໂລຍີການຄວບຄຸມຈຸນລະພາກປະສົມປະສານເພື່ອຕິດຕາມ ແລະ ຊົດເຊີຍພະລັງງານທີ່ມີປະຕິກິລິຍາຢ່າງສະຫຼາດ. ດ້ວຍໂຄງສ້າງທີ່ສົມເຫດສົມຜົນແລະເຕັກໂນໂລຢີທີ່ເຕີບໃຫຍ່, ມັນຖືກນໍາໃຊ້ຢ່າງກວ້າງຂວາງໃນຕາຂ່າຍໄຟຟ້າແຮງດັນຕ່ໍາ.

ໃນຖານະເປັນຜູ້ຜະລິດມືອາຊີບໃນປະເທດຈີນ, ໂຮງງານ Comewill ຕ້ອງການໃຫ້ທ່ານມີ GGJ Low Voltage Combination Switchgear ທີ່ມີຄຸນນະພາບ, ເຊິ່ງຊ່ວຍເພີ່ມປັດໄຈພະລັງງານຢ່າງມີປະສິດທິພາບ, ຫຼຸດຜ່ອນການສູນເສຍພະລັງງານ reactive, ແລະປັບປຸງຄຸນນະພາບການສະຫນອງພະລັງງານ. ຄວບຄຸມໂດຍຕົວຄວບຄຸມອັດສະລິຍະ, ມັນສະຫນອງການທໍາງານເຕັມທີ່ແລະການປະຕິບັດທີ່ຫນ້າເຊື່ອຖືດ້ວຍການຊົດເຊີຍອັດຕະໂນມັດ, ສາມາດເພີ່ມປັດໃຈພະລັງງານໃຫ້ສູງກວ່າ 0.9.

GGJ Low Voltage Combination Switchgear ສະຫນອງການສະແດງເວລາທີ່ແທ້ຈິງຂອງປັດໄຈພະລັງງານຕາຂ່າຍໄຟຟ້າ, ກວມເອົາທັງສອງໄລຍະ lagging (0.00-0.99) ແລະຊັ້ນນໍາ (0.00-0.99). ມັນມາພ້ອມກັບຫນ້າທີ່ປ້ອງກັນທີ່ສົມບູນແບບຕໍ່ກັບ overvoltage, ການປະສົມກົມກຽວຫຼາຍເກີນໄປ, overcompensation, ຄວາມຜິດຂອງລະບົບ, ການສູນເສຍໄລຍະ, overload, ແລະອື່ນໆອີກ. ມັນຍັງຄົງຮັກສາພາລາມິເຕີທີ່ຕັ້ງໄວ້ເຖິງແມ່ນວ່າໃນລະຫວ່າງການປິດໄຟຟ້າ, ດໍາເນີນການຄືນໃຫມ່ໂດຍອັດຕະໂນມັດເມື່ອຕາຂ່າຍໄຟຟ້າສະຖຽນລະພາບ - ບໍ່ມີຄວາມຈໍາເປັນໃນພື້ນທີ່.

ອີງຕາມການດຸ່ນດ່ຽງການໂຫຼດຂອງຕາຂ່າຍໄຟຟ້າ, GGJ Low Voltage Combination Switchgear ສະຫນັບສະຫນູນການຊົດເຊີຍໄລຍະໂດຍໄລຍະຫຼືຮູບແບບການຊົດເຊີຍແບບປະສົມ. ມີຄວາມສາມາດຕ້ານການແຊກແຊງທີ່ເຂັ້ມແຂງ, ມັນທົນທານຕໍ່ 2000V amplitude interference pulses ໂດຍກົງຈາກຕາຂ່າຍໄຟຟ້າ, ເກີນມາດຕະຖານອຸດສາຫະກໍາແຫ່ງຊາດ. ທຸກໆຊົ່ວໂມງ, ອຸປະກອນຈະວັດແທກແລະບັນທຶກແຮງດັນສາມເຟດ, ປະຈຸບັນ, ຄວາມຖີ່, ພະລັງງານທີ່ມີການເຄື່ອນໄຫວ, ພະລັງງານປະຕິກິລິຍາ, ປັດໃຈພະລັງງານ, ພະລັງງານທີ່ຫ້າວຫັນ, ພະລັງງານປະຕິກິລິຍາຢູ່ດ້ານແຮງດັນຕ່ໍາຂອງຫມໍ້ແປງ, ເຊັ່ນດຽວກັນກັບອັດຕາການບິດເບືອນຂອງແຮງດັນໄຟຟ້າ / ປະຈຸບັນທັງຫມົດແລະເນື້ອໃນປະສົມກົມກຽວທີ 2 ຫາ 25. ພ້ອມກັບອິນເຕີເຟດ RS-232 ແລະ RS-485, ມັນສາມາດຖ່າຍທອດຂໍ້ມູນຜ່ານຄອມພິວເຕີມືຖືໄດ້.

ໂດຍຜ່ານການສື່ສານຫ່າງໄກສອກຫຼີກ, ມັນບັນລຸການອ່ານແມັດໄຮ້ສາຍ, ການທົດສອບອຸປະກອນ, ການຕັ້ງຄ່າພາລາມິເຕີ, ແລະການເຂົ້າເຖິງຂໍ້ມູນທີ່ໃຊ້ເວລາທີ່ແທ້ຈິງແລະບັນທຶກ. ຟັງຊັນການວິເຄາະຂໍ້ມູນໃນຕົວຂອງມັນສະຫນັບສະຫນູນການປຸງແຕ່ງ, ສະຖິຕິ, ແລະການສອບຖາມຂໍ້ມູນການໂຫຼດປະຕິບັດງານ. ມັນປະເມີນຄຸນນະພາບການສະຫນອງພະລັງງານຢ່າງສົມບູນໂດຍການຄິດໄລ່ອັດຕາຄຸນສົມບັດຂອງແຮງດັນ, ອັດຕາການໂຫຼດ, ອັດຕາຄວາມຫນ້າເຊື່ອຖື, ແລະອັດຕາການໂຫຼດສູງສຸດ. ຜູ້ໃຊ້ສາມາດກວດສອບປັດໄຈພະລັງງານ, ພະລັງງານທີ່ມີການເຄື່ອນໄຫວ, ແລະພະລັງງານ reactive ສໍາລັບໄລຍະເວລາທີ່ແຕກຕ່າງກັນ, ສ້າງເສັ້ນໂຄ້ງສໍາລັບແຮງດັນໄລຍະ, ປະຈຸບັນ, ປັດໄຈພະລັງງານ, ແລະອື່ນໆ, ແລະພິມການວິເຄາະທີ່ສົມບູນແບບແລະບົດລາຍງານສະຖິຕິ.

ບັງຄັບໃຊ້ມາດຕະຖານ

IEC439: 《ສະວິດເຊີງແຮງດັນຕ່ຳ ແລະ ອຸປະກອນຄວບຄຸມ》
GB7251: ເຄື່ອງຈັກສະວິດແຮງດັນຕໍ່າ

ພິມຄໍາອະທິບາຍ

ສະພາບການບໍລິການປົກກະຕິ

1. ອຸນ​ຫະ​ພູມ​ອາ​ກາດ​ລ້ອມ​ຮອບ​ບໍ່​ຄວນ​ໄປ​ຂ້າງ​ເທິງ +40 ℃​ຫຼື​ຂ້າງ​ລຸ່ມ​ນີ້ -5 ℃​, ແລະ​ອຸນ​ຫະ​ພູມ​ສະ​ເລ່ຍ 24 ຊົ່ວ​ໂມງ​ບໍ່​ສາ​ມາດ​ເກີນ +35 ℃​. ຖ້າຂີດຈຳກັດອຸນຫະພູມເຫຼົ່ານີ້ຖືກຂ້າມໄປ, ທ່ານ ຈຳ ເປັນຕ້ອງປະຕິເສດຄວາມອາດສາມາດຂອງອຸປະກອນໃນການເຮັດວຽກໂດຍອີງໃສ່ສະພາບຕົວຈິງ.
2.ນີ້ GGJ Low Voltage Switchgear ຖືກອອກແບບສໍາລັບການນໍາໃຊ້ພາຍໃນເຮືອນເທົ່ານັ້ນ, ແລະຄວາມສູງຂອງສະຖານທີ່ຕິດຕັ້ງຕ້ອງບໍ່ເກີນ 2000 ແມັດ.
3. ເມື່ອ​ອຸນ​ຫະ​ພູມ​ສູງ​ສຸດ hits +40℃​, ຄວາມ​ຊຸ່ມ​ຊື່ນ​ຂອງ​ອາ​ກາດ​ລ້ອມ​ຮອບ​ຄວນ​ຈະ​ຢູ່​ພາຍ​ໃຕ້​ການ 50​%​. ໃນອຸນຫະພູມຕ່ໍາ, ຄວາມຊຸ່ມຊື່ນສູງແມ່ນຍອມຮັບໄດ້, ຕົວຢ່າງ, 90% ຢູ່ທີ່ +20 ℃. ທ່ານຍັງຄວນຄິດໄລ່ການຂົ້ນເປັນບາງຄັ້ງຄາວທີ່ອາດຈະເກີດຂື້ນຍ້ອນການເຫນັງຕີງຂອງອຸນຫະພູມ.
4. ໃນລະຫວ່າງການຕິດຕັ້ງ, ການອຽງຂອງອຸປະກອນຈາກຍົນຕັ້ງບໍ່ສາມາດສູງກວ່າ 5°, ແລະແຖວທັງໝົດຂອງຕູ້ຄວນຈະເປັນລະດັບຂ້ອນຂ້າງ. ມັນເປັນສິ່ງສໍາຄັນທີ່ຈະຕິດຕັ້ງອຸປະກອນໃນສະຖານທີ່ທີ່ບໍ່ມີການສັ່ນສະເທືອນແລະຜົນກະທົບຮ້າຍແຮງ, ບ່ອນທີ່ອົງປະກອບໄຟຟ້າຈະບໍ່ຖືກກັດກ່ອນເກີນໄປ.

ຄວາມກວ້າງຕູ້ (A) ຄວາມເລິກຕູ້ (B) ໄລຍະຫ່າງຂອງການຕິດຕັ້ງ (ກ) ໄລຍະຫ່າງຂອງຂຸມຕິດ (ຂ)
800 500 685 385
600 800 485 685
600 1000 485 885
800 800 685 685
800 1000 685 885
1000 800 885 685
1000 1000 885 885
ລາຍການ ພາລາມິເຕີ
ລະດັບແຮງດັນຂອງ lnsulation (V) 660
ລະດັບແຮງດັນເຮັດວຽກ (V) 380/660
Auxiliary Circuit Rated Voltage (V) AC 220/380
DC 110/220
ຄວາມຖີ່ຂອງການໃຊ້ງານ (Hz) 50– 60
ອັນດັບປັດຈຸບັນ(A) ລົດເມແຖບແນວນອນ <3150
Vertical Bus-bar 630/800
ລະດັບຄວາມທົນທານຕໍ່ເວລາສັ້ນ ເສັ້ນກາງ (kA/1 ວິນາທີ) 50
ແຖບລົດເມ (kA/1 ວິນາທີ) 30
ລະດັບສູງສຸດໃນປະຈຸບັນ (kA/0.1 ວິນາທີ) 105/50
ຄວາມອາດສາມາດທໍາລາຍຫນ່ວຍງານຟັງຊັນ (kA) 50 (ຄ່າປະສິດທິພາບ)
ລະດັບການປົກປ້ອງຫ້ອງການ IP40
ລົດເມ-ບາ ລະບົບສາຍສາມເຟດສີ່, ລະບົບສາຍສາມໄລຍະຫ້າ
ຮູບແບບການເຮັດວຽກ ໃນສະຖານທີ່, ໄລຍະທາງແລະອັດຕະໂນມັດ

ຄວາມເຂັ້ມແຂງ

1. ສໍາລັບການພິຈາລະນາການຈັດຊື້: GGJ Low Voltage Switchgear ຈາກ Welcome (Wenzhou) Electric Co., Ltd. ມາພ້ອມກັບຊ່ອງລະບາຍອາກາດຫຼາຍຢູ່ທັງດ້ານເທິງແລະດ້ານລຸ່ມຂອງຕູ້. ການອອກແບບນີ້ສ້າງການໄຫຼວຽນຂອງອາກາດຈາກລຸ່ມຫາເທິງທໍາມະຊາດພາຍໃນຕູ້ທີ່ຜະນຶກເຂົ້າກັນໄດ້, ແກ້ໄຂບັນຫາການແຜ່ກະຈາຍຄວາມຮ້ອນຢ່າງມີປະສິດທິພາບສໍາລັບການດໍາເນີນງານທີ່ເຊື່ອຖືໄດ້.
2. ປະຕູເຄື່ອງມືຂອງສະວິດເກຍ - ປະກອບດ້ວຍອົງປະກອບໄຟຟ້າ - ແລະສ່ວນຍຶດຕິດພາຍໃນປະກອບເປັນວົງຈອນປ້ອງກັນດິນຢ່າງສົມບູນ, ຮັບປະກັນຄວາມສອດຄ່ອງຂອງຫນ້າດິນຢ່າງຕໍ່ເນື່ອງຕະຫຼອດເວລາ.
3. ພວກເຮົາວາງແຖບ busbars ຕົ້ນຕໍຢູ່ດ້ານຫລັງດ້ານເທິງຂອງຕູ້, ຈັບຄູ່ກັບ AMJ-type busbar clamps crafted ຈາກວັດສະດຸ polyester DMC / SMC unsaturated ທີ່ມີຄວາມເຂັ້ມແຂງສູງ. clamps ເຫຼົ່ານີ້ສະຫນອງຄວາມເຂັ້ມແຂງກົນຈັກພິເສດແລະປະສິດທິພາບ insulation, ໃນຂະນະທີ່ຝາປິດດ້ານເທິງຂອງຕູ້ທີ່ຖອດອອກໄດ້ເຮັດໃຫ້ການປະກອບຢູ່ໃນສະຖານທີ່ງ່າຍດາຍແລະການປັບ busbars ຕົ້ນຕໍ.
4.The ຕູ້ມີລັກສະນະການເຄືອບຝຸ່ນ electrostatic ສໍາລັບການ adhesion ທີ່ເຂັ້ມແຂງ, ແລະອົງປະກອບພາຍໃນທັງຫມົດ undergo galvanization ແລະການປິ່ນປົວ passivation. ນີ້ເສີມຂະຫຍາຍຄວາມສາມາດ "ສາມຫຼັກຖານ" ຂອງ switchgear: ຄວາມຕ້ານທານຄວາມຊຸ່ມຊື່ນ, ການຕໍ່ຕ້ານຝຸ່ນ, ແລະການຕໍ່ຕ້ານ corrosion, ຍືດອາຍຸການບໍລິການຂອງຕົນໃນສະພາບແວດລ້ອມທີ່ຫຼາກຫຼາຍ.
5. ເພື່ອໃຫ້ເຫມາະສົມກັບຄວາມຕ້ອງການຂອງໂຄງການທີ່ແຕກຕ່າງກັນ, GGJ Low Voltage Combination Switchgear ສະຫນັບສະຫນູນທາງເລືອກການເຂົ້າສາຍຫຼາຍ - ທາງເທິງ, ເຂົ້າທາງລຸ່ມ, ແລະທາງຫລັງ - ສະເຫນີການຕິດຕັ້ງທີ່ມີຄວາມຍືດຫຍຸ່ນສໍາລັບໂຄງການຈັດຊື້.

ຄໍາສັ່ງສັ່ງ

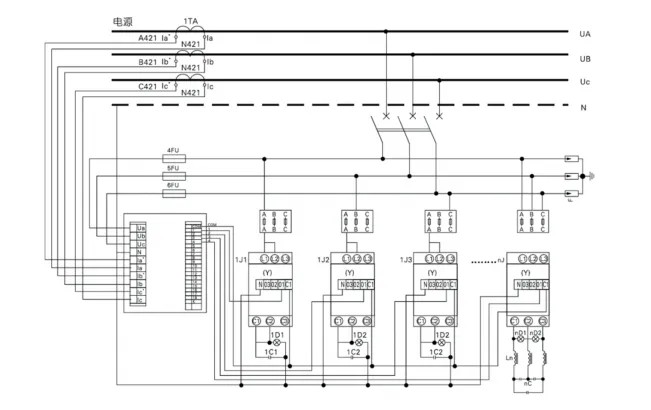
◇ແຜນວາດວົງຈອນຕົ້ນຕໍ;
◇ ຄວາມສາມາດໃນການຊົດເຊີຍ ແລະວິທີການຊົດເຊີຍ;
◇ ຖ້າມັນບໍ່ສອດຄ່ອງກັບສະພາບການເຮັດວຽກປົກກະຕິຂອງຜະລິດຕະພັນ, ມັນຕ້ອງໄດ້ຮັບການລະບຸໄວ້ລ່ວງຫນ້າ.


Hot Tags: GGJ Low Voltage Combination Switchgear, ຈີນ, ຜູ້ຜະລິດ, ຜູ້ຜະລິດ, ໂຮງງານຜະລິດ, ຂາຍສົ່ງ, ປັບແຕ່ງ, ໃນສະຕັອກ, ຜະລິດໃນປະເທດຈີນ, ລາຄາຕໍ່າ, ຄຸນນະພາບ
ສົ່ງສອບຖາມ
ຂໍ້​ມູນ​ຕິດ​ຕໍ່
  • ທີ່ຢູ່

    No.777 ຖະໜົນ Wanweng, Wengyang Sub District, Yueqing City, Wenzhou City, Zhejiang Province, ຈີນ

  • ອີເມລ

    hannah@comewill.com

ສົ່ງການສອບຖາມກັບ Comewill ສໍາລັບ switchgear, breakers ວົງຈອນສູນຍາກາດ, transformer ໃນປັດຈຸບັນ. ໄດ້ຮັບໃບສະເຫນີລາຄາທີ່ກໍາຫນົດເອງ, ລາຄາຕໍ່າຫຼືການສະຫນັບສະຫນູນຜູ້ຊ່ຽວຊານຈາກທີມງານໂຮງງານຜະລິດຈີນຂອງພວກເຮົາ
X
ພວກເຮົາໃຊ້ cookies ເພື່ອສະເຫນີໃຫ້ທ່ານມີປະສົບການການຊອກຫາທີ່ດີກວ່າ, ວິເຄາະການເຂົ້າຊົມເວັບໄຊທ໌ແລະປັບແຕ່ງເນື້ອຫາ. ໂດຍການນໍາໃຊ້ເວັບໄຊທ໌ນີ້, ທ່ານຕົກລົງເຫັນດີກັບການນໍາໃຊ້ cookies ຂອງພວກເຮົາ. ນະໂຍບາຍຄວາມເປັນສ່ວນຕົວ
ປະຕິເສດ ຍອມຮັບ