ຜະລິດຕະພັນ
ຫນ້າທໍາອິດ > ຜະລິດຕະພັນ
ຜະລິດຕະພັນ
LMZW9-0.66 ຫມໍ້ແປງປະຈຸບັນ
  • LMZW9-0.66 ຫມໍ້ແປງປະຈຸບັນLMZW9-0.66 ຫມໍ້ແປງປະຈຸບັນ
  • LMZW9-0.66 ຫມໍ້ແປງປະຈຸບັນLMZW9-0.66 ຫມໍ້ແປງປະຈຸບັນ

LMZW9-0.66 ຫມໍ້ແປງປະຈຸບັນ

ຊື້ຫມໍ້ແປງໄຟຟ້າ LMZW9-0.66 ທີ່ມີຄຸນນະພາບສູງຈາກຜູ້ຜະລິດຈີນ Comewill. ຫມໍ້ແປງນີ້ຖືກອອກແບບມາສະເພາະສໍາລັບວົງຈອນ AC 50Hz ທີ່ມີລະດັບ 0.66kV ແລະຕ່ໍາກວ່າ, ຕອບສະຫນອງຄວາມຕ້ອງການທີ່ສໍາຄັນສໍາລັບການກວດສອບປະຈຸບັນທີ່ຊັດເຈນແລະການວັດແທກພະລັງງານໃນຂະແຫນງການຈໍາຫນ່າຍພະລັງງານອຸດສາຫະກໍາແລະການກໍ່ສ້າງ. ການນໍາໃຊ້ຂະບວນການຫລໍ່ລື່ນ້ໍາຢາງທີ່ບໍ່ອີ່ມຕົວ, ຫນ່ວຍບໍລິການມີໂຄງສ້າງທີ່ເຂັ້ມແຂງທີ່ມີການຕໍ່ຕ້ານຄວາມຊຸ່ມຊື່ນທີ່ດີເລີດແລະຄວາມຫມັ້ນຄົງຂອງຄວາມຮ້ອນ, ປະສິດທິຜົນຫຼຸດຜ່ອນຄ່າໃຊ້ຈ່າຍໃນການຮັກສາຕະຫຼອດຊີວິດຂອງມັນ.
ໃນຖານະເປັນຜູ້ຜະລິດມືອາຊີບຂອງອຸປະກອນພະລັງງານໃນປະເທດຈີນ, Comewill ປະຕິບັດຕາມມາດຕະຖານ IEC 61869 ຢ່າງເຂັ້ມງວດ, ຮັບປະກັນການປະຕິບັດທີ່ຫມັ້ນຄົງແລະເຊື່ອຖືໄດ້ຂອງ LMZW9-0.66 Transformer ປະຈຸບັນ. ການອອກແບບ mount ຄົງທີ່ຂອງມັນເຮັດໃຫ້ສາຍໄຟຢູ່ໃນສະຖານທີ່ງ່າຍດາຍ, ອະນຸຍາດໃຫ້ມີການເຊື່ອມສານ seamless ເຂົ້າໄປໃນລະບົບຈໍາຫນ່າຍໄຟຟ້າແຮງດັນຕ່ໍາຕ່າງໆ - ບໍ່ວ່າຈະສໍາລັບການຍົກລະດັບຫຼືໂຄງການກໍ່ສ້າງໃຫມ່.

ຕົວກໍານົດການດ້ານວິຊາການຂອງ LMZW-0.66 ຫມໍ້ແປງປະຈຸບັນ:

ລະດັບຄວາມຖີ່ 50/60Hz
ແຮງດັນທີ່ຈັດອັນດັບ 0.6kV ຫຼື 0.66 kV
ແຮງດັນສູງສຸດສໍາລັບອຸປະກອນ 0.72kV
ຄວາມຖີ່ພະລັງງານທົນທານຕໍ່ແຮງດັນ 3kV
ມາດຕະຖານດ້ານວິຊາການສອດຄ່ອງກັບ IEC60044-1:2003 ຫຼື IEEE STD C57.13-2008
ປະເພດ ໃຫ້ຄະແນນກະແສຫຼັກ(A) ໃຫ້ຄະແນນຜົນຜະລິດ VA(cosФ=0.8lag)
0.2ສ 0.2 0.5ສ 0.5 1
LMZ-0.66 75-100 10-3.75 10-3.75 10-3.75 10-3.7510-3.75 10-3.75
LMZ-0.66 150-300 10-3.75 10-3.75 10-3.75 10-3.75 10-3.75
LMZ-0.66 400-750 10-3.75 10-3.75 10-3.75 10-3.75 10-3.75
LMZ-0.66 1000-1500 10-3.75 10-3.75 10-3.75 10-3.75 10-3.75


ຄຸນສົມບັດຜະລິດຕະພັນ

1. ການປະຕິບັດທີ່ຫມັ້ນຄົງ

ໝໍ້ແປງໄຟຟ້າປັດຈຸບັນ LMZW9-0.66 ຂອງໂຮງງານ Comewill ແມ່ນປະຕິບັດຕາມມາດຕະຖານ IEC 61869, IEC60044-1, ແລະ IEEE C57.13

ການ​ວັດ​ແທກ​ປັດ​ຈຸ​ບັນ​ທີ່​ຖືກ​ຕ້ອງ​ໃນ​ຂອບ​ເຂດ​ກ​້​ວາງ​ຂອງ​ປະ​ຈຸ​ບັນ​ຕົ້ນ​ຕໍ (75–1500A​)

ຜົນຜະລິດທີ່ໄດ້ຮັບການຈັດອັນດັບ 10–3.75 VA (cosφ=0.8 lag) ຮັບປະກັນສັນຍານທີ່ສອດຄ່ອງສໍາລັບການວັດແທກແລະການປົກປ້ອງ.


2. Fixed-Mount Indoor Design

ເຮັດໃຫ້ສາຍໄຟງ່າຍຂຶ້ນ ແລະການເຊື່ອມໂຍງເຂົ້າໃນສະວິດເຊີງແຮງດັນຕໍ່າ ແລະແຜງ

ຫຼຸດຜ່ອນຄວາມຜິດພາດໃນການຕິດຕັ້ງແລະຄວາມຕ້ອງການບໍາລຸງຮັກສາ

ການອອກແບບກະທັດລັດເຮັດໃຫ້ໃຊ້ພື້ນທີ່ກະດານສູງສຸດ


3. ຂອບເຂດການດໍາເນີນງານກ້ວາງ

ອຸນຫະພູມການເຮັດວຽກ: -25 ℃ to +55 ℃

ຄວາມຊຸ່ມຊື່ນທີ່ກ່ຽວຂ້ອງ: ≤90%, ບໍ່ມີ condensation

ລະດັບຄວາມສູງ: ≤1000 ແມັດຈາກລະດັບນໍ້າທະເລ

ບໍ່ມີມົນລະພິດ, ບໍ່ມີຂີ້ຝຸ່ນ, ແລະສະພາບແວດລ້ອມພາຍໃນເຮືອນທີ່ບໍ່ມີອາຍແກັສກັດກ່ອນ


4. ຄວາມປອດໄພສູງ & ການປະຕິບັດຕາມ

ຄວາມຖີ່ພະລັງງານທົນທານຕໍ່ແຮງດັນ: 3kV

ແຮງດັນໄຟຟ້າຈັດອັນດັບ: 0.6–0.66kV, ແຮງດັນອຸປະກອນສູງສຸດ 0.72kV

ຖືກອອກແບບມາສໍາລັບການດໍາເນີນງານທີ່ປອດໄພໃນໄລຍະຍາວໃນເຄືອຂ່າຍການແຈກຢາຍແຮງດັນຕ່ໍາ


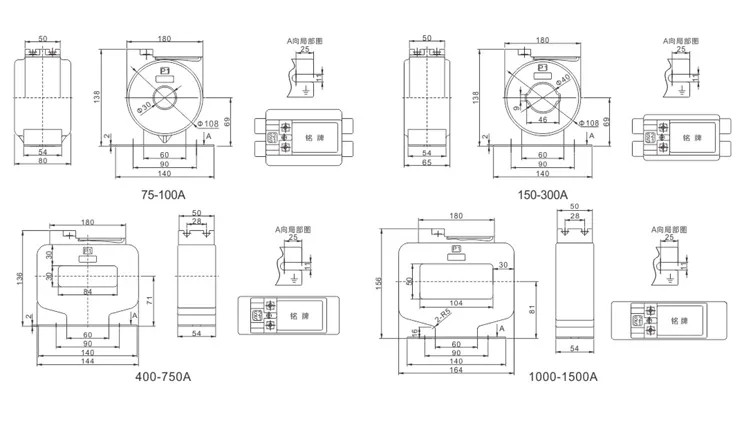
ໂຄງຮ່າງ ແລະຂະໜາດການຕິດຕັ້ງ

ຍິນດີຕ້ອນຮັບ (Wenzhou) Electric Co., Ltd


FAQ


Q1: ເຈົ້າເປັນໂຮງງານຫຼືບໍລິສັດການຄ້າບໍ?

A1: ພວກເຮົາເປັນໂຮງງານຜະລິດ, ເຊິ່ງອະນຸຍາດໃຫ້ພວກເຮົາສະເຫນີລາຄາທີ່ແຂ່ງຂັນຫຼາຍໂດຍກົງ.


Q2: ຂະບວນການຄວບຄຸມຄຸນນະພາບຂອງເຈົ້າແມ່ນຫຍັງ?

A2: ພວກເຮົາຮັບປະກັນຜະລິດຕະພັນທັງຫມົດ undergo ການກວດກາ 100% ກ່ອນການຂົນສົ່ງ.


Q3: ເມື່ອໃດທີ່ຂ້ອຍສາມາດຄາດຫວັງວ່າຈະໄດ້ຮັບການສະເຫນີລາຄາ?

A3: ໂດຍປົກກະຕິພວກເຮົາສະຫນອງການສະເຫນີລາຄາພາຍໃນ 24 ຊົ່ວໂມງຫຼັງຈາກໄດ້ຮັບການສອບຖາມຂອງທ່ານ.


Q4: ຂ້ອຍສາມາດເອົາຕົວຢ່າງໄດ້ແນວໃດ?

A4: ທ່ານສາມາດຊື້ຕົວຢ່າງ, ເຊິ່ງຈະລວມຄ່າໃຊ້ຈ່າຍຕົວຢ່າງແລະຄ່າຂົນສົ່ງ. ຄ່າຈັດສົ່ງດ່ວນແມ່ນຂຶ້ນກັບປະລິມານແລະນ້ໍາຫນັກຂອງຕົວຢ່າງ.


Q5: ຄ່າຂົນສົ່ງແມ່ນຫຍັງ?

A5: ຄ່າຂົນສົ່ງແຕກຕ່າງກັນໄປຕາມທ່າເຮືອປາຍທາງ.


Hot Tags: LMZW9-0.66 ເຄື່ອງຫັນເປັນປະຈຸບັນ, ຈີນ, ຜູ້ຜະລິດ, ສະຫນອງ, ໂຮງງານຜະລິດ, ຂາຍສົ່ງ, ປັບແຕ່ງ, ໃນສະຕັອກ, ຜະລິດໃນປະເທດຈີນ, ລາຄາຕໍ່າ, ຄຸນນະພາບ.
ສົ່ງສອບຖາມ
ຂໍ້​ມູນ​ຕິດ​ຕໍ່
  • ທີ່ຢູ່

    No.777 ຖະໜົນ Wanweng, Wengyang Sub District, Yueqing City, Wenzhou City, Zhejiang Province, ຈີນ

  • ອີເມລ

    hannah@comewill.com

ສົ່ງການສອບຖາມກັບ Comewill ສໍາລັບ switchgear, breakers ວົງຈອນສູນຍາກາດ, transformer ໃນປັດຈຸບັນ. ໄດ້ຮັບໃບສະເຫນີລາຄາທີ່ກໍາຫນົດເອງ, ລາຄາຕໍ່າຫຼືການສະຫນັບສະຫນູນຜູ້ຊ່ຽວຊານຈາກທີມງານໂຮງງານຜະລິດຈີນຂອງພວກເຮົາ
X
ພວກເຮົາໃຊ້ cookies ເພື່ອສະເຫນີໃຫ້ທ່ານມີປະສົບການການຊອກຫາທີ່ດີກວ່າ, ວິເຄາະການເຂົ້າຊົມເວັບໄຊທ໌ແລະປັບແຕ່ງເນື້ອຫາ. ໂດຍການນໍາໃຊ້ເວັບໄຊທ໌ນີ້, ທ່ານຕົກລົງເຫັນດີກັບການນໍາໃຊ້ cookies ຂອງພວກເຮົາ. ນະໂຍບາຍຄວາມເປັນສ່ວນຕົວ
ປະຕິເສດ ຍອມຮັບ