ຜະລິດຕະພັນ
ຫນ້າທໍາອິດ > ຜະລິດຕະພັນ
ຜະລິດຕະພັນ
LMZJ1-0.5 ຫມໍ້ແປງປະຈຸບັນ
  • LMZJ1-0.5 ຫມໍ້ແປງປະຈຸບັນLMZJ1-0.5 ຫມໍ້ແປງປະຈຸບັນ
  • LMZJ1-0.5 ຫມໍ້ແປງປະຈຸບັນLMZJ1-0.5 ຫມໍ້ແປງປະຈຸບັນ
  • LMZJ1-0.5 ຫມໍ້ແປງປະຈຸບັນLMZJ1-0.5 ຫມໍ້ແປງປະຈຸບັນ

LMZJ1-0.5 ຫມໍ້ແປງປະຈຸບັນ

LMZJ1-0.5 Transformer ປະຈຸບັນແມ່ນອຸປະກອນ busbar ໂດຍຜ່ານປະເພດທີ່ອອກແບບມາໂດຍສະເພາະສໍາລັບວົງຈອນ AC indoor, ຜະລິດໂດຍ Comewill, ຜູ້ຜະລິດມືອາຊີບໃນປະເທດຈີນ. ຜະລິດຕະພັນນີ້ໄດ້ຖືກອອກແບບໂດຍສະເພາະສໍາລັບລະບົບທີ່ມີແຮງດັນໄຟຟ້າ ≤ 0.5kV ແລະຄວາມຖີ່ຂອງ 50Hz. ມັນເປັນອົງປະກອບຫຼັກສໍາລັບການວັດແທກປະຈຸບັນ, ການວັດແທກພະລັງງານ, ແລະການປົກປ້ອງ relay ໃນອຸປະກອນໄຟຟ້າແຮງດັນຕ່ໍາ, ແລະແມ່ນເຫມາະສົມຫຼາຍສໍາລັບການຈັດຊື້ຈໍານວນຫລາຍໃນໂຄງການອຸດສາຫະກໍາແລະການຄ້າ.

ໃນຖານະເປັນຜູ້ຜະລິດມືອາຊີບໃນປະເທດຈີນ, Comewill ຕ້ອງການໃຫ້ທ່ານ LMZJ1-0.5 Transformer ປະຈຸບັນທີ່ກໍາຫນົດເອງ, ເຊິ່ງຖືກປັບປຸງໃຫມ່ໂດຍໃຊ້ເທກໂນໂລຍີການຫລໍ່ຫລອມ resin ແລະນໍາໃຊ້ຮູບແບບການຕິດຕັ້ງແຜ່ນພື້ນຖານຄົງທີ່. ດ້ວຍຄວາມຫມັ້ນຄົງຂອງການດໍາເນີນງານທີ່ດີກວ່າແລະຄວາມທົນທານໃນໄລຍະຍາວ, ມັນຊ່ວຍປະຢັດຄ່າໃຊ້ຈ່າຍໃນການບໍາລຸງຮັກສາສໍາລັບຄູ່ຮ່ວມງານການຈັດຊື້ຈາກຮາກ. ມັນສະຫນອງຫຼາຍທາງເລືອກເກຍຄວາມແມ່ນຍໍາສູງຂອງ 0.2, 0.5, 0.2s, ແລະ 0.5s, ໄດ້ຢ່າງງ່າຍດາຍກວມເອົາຄວາມຕ້ອງການຄໍາຮ້ອງສະຫມັກທີ່ແຕກຕ່າງກັນໃນສະຖານະການຕ່າງໆ.

ການອອກແບບໂຄງສ້າງທີ່ກະທັດຮັດເຮັດໃຫ້ການຕິດຕັ້ງ ແລະ ການນຳໃຊ້ມີຄວາມຍືດຫຍຸ່ນຫຼາຍຂຶ້ນ, ແລະການຮອງຮັບສອງເທົ່າຂອງການຕັ້ງຄ່າຄວາມປອດໄພລະດັບສູງສຸດ ແລະ ຊີວິດການບໍລິການທີ່ຍາວນານເຮັດໃຫ້ LMZJ1-0.5 Current Transformer ເປັນທາງເລືອກທີ່ເຊື່ອຖືໄດ້ໃນການຈັດຊື້ລະບົບແຮງດັນຕໍ່າທີ່ທັນສະໄຫມ. ມັນເປັນມູນຄ່າທີ່ບອກວ່າຫມໍ້ແປງໄຟຟ້າແຮງດັນຕ່ໍານີ້ມີຄວາມທົນທານຕໍ່ອຸນຫະພູມສູງແລະການຕໍ່ຕ້ານມົນລະພິດ, ແລະສາມາດຮັກສາການດໍາເນີນງານທີ່ຫມັ້ນຄົງເຖິງແມ່ນວ່າຢູ່ໃນສະພາບແວດລ້ອມທີ່ຮຸນແຮງ, ມູນຄ່າສູງສຸດຂອງທຸກໆການລົງທຶນໃນການຈັດຊື້.

ໂຄງສ້າງຜະລິດຕະພັນ

ຫຼັກຂອງ LMZJ1-0.5 Transformer ປະຈຸບັນແມ່ນແກນເຫລໍກວົງກົມທີ່ເຮັດດ້ວຍແຜ່ນເຫຼັກກ້າຊິລິຄອນມ້ວນເຢັນ - ການອອກແບບ winding ທີ່ມີຄວາມແມ່ນຍໍານີ້ແມ່ນກຸນແຈເພື່ອເພີ່ມປະສິດທິພາບສູງສຸດຂອງແມ່ເຫຼັກແລະວາງພື້ນຖານສໍາລັບການດໍາເນີນງານທີ່ເຊື່ອຖືໄດ້.
winding ທີສອງໄດ້ຖືກຫໍ່ຢ່າງເທົ່າທຽມກັນປະມານແກນເຫລໍກວົງນີ້, ເຊິ່ງເປັນການຈັດການທີ່ຖືກອອກແບບຢ່າງລະມັດລະວັງທີ່ຮັບປະກັນການປະຕິບັດທີ່ສອດຄ່ອງພາຍໃຕ້ທຸກສະພາບການເຮັດວຽກແລະລົບລ້າງບັນຫາຜົນຜະລິດທີ່ບໍ່ສະເຫມີກັນ.
ປ່ອງຢ້ຽມກາງແລ່ນຜ່ານກາງຂອງຜະລິດຕະພັນແລະຖືກອອກແບບສໍາລັບການເຊື່ອມໂຍງ seamless ຂອງ busbars, ໃນຂະນະທີ່ພື້ນຖານທີ່ທົນທານຢູ່ດ້ານລຸ່ມສະຫນອງຈຸດຕິດຕັ້ງທີ່ປອດໄພແລະຫມັ້ນຄົງຫຼາຍສໍາລັບຜະລິດຕະພັນ, ເຮັດໃຫ້ມັນງ່າຍຕໍ່ການຕິດຕັ້ງ.
ອົງປະກອບທັງຫມົດແມ່ນຫລໍ່ຈາກວັດສະດຸ insulation resin unsaturated. ທໍ່ທີ່ທົນທານນີ້ບໍ່ພຽງແຕ່ຊ່ວຍເພີ່ມຄວາມທົນທານ, ແຕ່ຍັງປັບປຸງຄວາມປອດໄພແລະປົກປ້ອງອົງປະກອບພາຍໃນຈາກຄວາມກົດດັນຂອງສິ່ງແວດລ້ອມ, ເຮັດໃຫ້ຫມໍ້ແປງມີຄວາມທົນທານຕໍ່ສະພາບແວດລ້ອມການເຮັດວຽກຕ່າງໆ.

ພາລາມິເຕີ

ພາລາມິເຕີໄຟຟ້າ ພາລາມິເຕີກົນຈັກ
ຄວາມຖີ່ 50/60Hz ກໍລະນີ PC/UL94-V0
ການປ້ອນຂໍ້ມູນໃຫ້ຄະແນນ 5A-5000A Bobbin PBT
ໄລຍະການວັດແທກ 5% ໃນ-120% ໃນ ຫຼັກ ເຫຼັກຊິລິໂຄນ
ຄະແນນຜົນຜະລິດ 1A,5A ການກໍ່ສ້າງ ໝວກ
ອັດຕາສ່ວນແຮງດັນ 0.72KV (AC) ອຸນຫະພູມປະຕິບັດການ -25℃~+75℃
ຄວາມເຂັ້ມແຂງຂອງ Dielectric 3.0KV/1mA/1ນທ ຄວາມຊຸ່ມຊື້ນ ≤85%
ຄວາມຕ້ານທານ insulation DC500V/100MΩ min ການເຊື່ອມຕໍ່ຂາອອກ ສະຖານີ
ຕົວແບບ ປະຖົມ/ມັດທະຍົມ ຂະໜາດຮູ Busbar(mm) ລະດັບຄວາມຮັບຜິດຊອບ (VA) ຫ້ອງຮຽນຄວາມຖືກຕ້ອງ ລະດັບແຮງດັນ
LMZJ1-0.5 30 5/5A~300/5A ø=31ມມ 2.5~5 0.2S 0.5S 0.5 0.72KV(AC)
LMZJ1-0.5 35 5/5A~300/5A ø=35ມມ 2.5~5 0.2S 0.5S 0.5 0.72KV(AC)
LMZJ1-0.5 40 200/5A~500/5A ø=42ມມ 5 0.2S 0.5S 0.5 0.72KV(AC)
LMZJ1-0.5 50 400/5A~600/5A ø=56ມມ 5 0.2S 0.5S 0.5 0.72KV(AC)
LMZJ1-0.5 80 750/5A~1200/5A ø=83ມມ 10~20 0.2S 0.5S 0.5 0.72KV(AC)
LMZJ1-0.5 100 800/5A~2000/5A ø=102ມມ 10~30 0.2S 0.5S 0.5 0.72KV(AC)
LMZJ1-0.5 140 2000/5A~4000/5A ø=142ມມ 15~30 0.2S 0.5S 0.5 0.72KV(AC)
LMZJ1-0.5 180 5000/5A~6000/5A ø=182ມມ 15~30 0.2S 0.5S 0.5 0.72KV(AC)

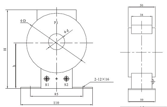
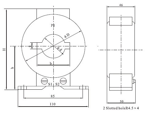
ໂຄງຮ່າງແລະຂະຫນາດຂອງການຕິດຕັ້ງ

ປະເພດ ອັດຕາສ່ວນປະຈຸບັນ H h φD φd
LMZ1-0.5 5-300/5 117 68 90 30
ປະເພດ ອັດຕາສ່ວນປະຈຸບັນ H h φD φd a b
LMZJ1-0.5 5-300/5 118 70 91 32 10 41
400-600/5 128 75 97 43 12 52
ປະເພດ ອັດຕາສ່ວນປະຈຸບັນ A1 A2 B h H L1 L2 C b
LMZJ1-0.5 1000/51200/51500/5 172 104 30 80 140 156 123 41 50
2000/53000/5 216 140 42 102 182 175 150 46 70
4000/55000/5 238 150 55 117 220 230 180 60 94
Hot Tags: LMZJ1-0.5 Transformer ປະຈຸບັນ, ຈີນ, ຜູ້ຜະລິດ, ສະຫນອງ, ໂຮງງານຜະລິດ, ຂາຍສົ່ງ, ປັບແຕ່ງ, ໃນສະຕັອກ, ຜະລິດໃນປະເທດຈີນ, ລາຄາຕໍ່າ, ຄຸນນະພາບ.
ສົ່ງສອບຖາມ
ຂໍ້​ມູນ​ຕິດ​ຕໍ່
  • ທີ່ຢູ່

    No.777 ຖະໜົນ Wanweng, Wengyang Sub District, Yueqing City, Wenzhou City, Zhejiang Province, ຈີນ

  • ອີເມລ

    hannah@comewill.com

ສົ່ງການສອບຖາມກັບ Comewill ສໍາລັບ switchgear, breakers ວົງຈອນສູນຍາກາດ, transformer ໃນປັດຈຸບັນ. ໄດ້ຮັບໃບສະເຫນີລາຄາທີ່ກໍາຫນົດເອງ, ລາຄາຕໍ່າຫຼືການສະຫນັບສະຫນູນຜູ້ຊ່ຽວຊານຈາກທີມງານໂຮງງານຜະລິດຈີນຂອງພວກເຮົາ
X
ພວກເຮົາໃຊ້ cookies ເພື່ອສະເຫນີໃຫ້ທ່ານມີປະສົບການການຊອກຫາທີ່ດີກວ່າ, ວິເຄາະການເຂົ້າຊົມເວັບໄຊທ໌ແລະປັບແຕ່ງເນື້ອຫາ. ໂດຍການນໍາໃຊ້ເວັບໄຊທ໌ນີ້, ທ່ານຕົກລົງເຫັນດີກັບການນໍາໃຊ້ cookies ຂອງພວກເຮົາ. ນະໂຍບາຍຄວາມເປັນສ່ວນຕົວ
ປະຕິເສດ ຍອມຮັບ